健康危害:長期、大量、高濃度對中樞神經系統具麻醉作用,對造血系統有損害。 燃燒危險:易燃,其蒸汽與空...
查看詳情 +
韓國KC認證是指電器用品安全認證制度是依據電器用品安全管理法實行的強制和自律(自愿)安全確認認證制度,是...
查看詳情 +
MSDS化學品安全說明書(Material Safety Data Sheet),又稱為材料安全系數表,化學品安全技術說明書或化學品...
查看詳情 +
WERCSmart是一款由美國The WERCS設計開發、面向大中型零售商的供應鏈安全管理系統,可以實現:對龐大的供應...
查看詳情 +
巴西ANATEL認證是巴西通信產品的強制性認證,無論是在巴西生產還是在巴西以外的地方生產的產品都需要申請AN...
查看詳情 +
入駐電商平臺、實體商場等其他平臺,都需要提供符合商城要求的質檢報告。現在隨著京東商城、天貓商城對于產...
查看詳情 +
產品未取得SRRC認證,即無線電發射設備型號核準,會遭受罰款處分。根據《中華人民共和國無線電管理條例》第...
查看詳情 +
SRRC認證申請流程:1、寄樣品,填寫資料;2、審核資料→安排到實驗室做測試;3、測試合格出草稿報告;4、確...
查看詳情 +
SONCAP是Standards Organization of Nigeria Conformity Assessment Program的縮寫,是尼日利亞強制性合...
查看詳情 +
鹽霧測試等級根據國家標準GB/T 6461-2002標準進行等級評級的。保護評級protection rating,保護評級數(見...
查看詳情 +
“CE”標志是一種安全認證標志,被視為制造商打開并進入歐洲市場的護照。CE代表歐洲統一(CONFORMITE E...
查看詳情 +
電池指令2006/66/EC是歐盟制定的一項電池的法規,旨在減少有害電池及蓄電池的產量,提高舊電池及蓄電池...
查看詳情 +
CE認證是一種安全標志認證,被視為制造商打開并進入歐洲市場的護照。凡是貼有CE認證標志的產品就可在歐...
查看詳情 +
氙燈老化是人工模擬太陽光照的光照老化試驗,在試驗測試中,需要明白了解以下幾個問題: 一、人工加速老化...
查看詳情 +
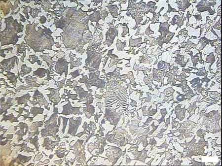
1、金屬平均晶粒度 【001】金屬平均晶粒度測定 … GB 6394-2002 【010】鑄造鋁銅合金晶粒度測定…GB 10852-...
查看詳情 +
鹽霧測試是產品耐腐蝕能力的一項重要實驗。鹽霧測試從操作方式來說分為兩大類別,一類是然環境暴露試驗,另...
查看詳情 +
PCB作為各種元器件的載體,是電子信息產品非常重要的部分。PCB失效案例越來越多,給產品造成的損失也越來越...
查看詳情 +
電子組件,指的PCB板電子元器件經過二次裝配,具有完整或部分功能的電子功能模塊(以下簡稱模塊),如厚、...
查看詳情 +
進入歐盟的電氣產品(如手機、電動玩具、電動工具等)需要滿足歐盟新方法指令的要求,加貼CE標志。電池作...
查看詳情 +
CE認證可以說是當今世界上最先進的產品符合性評估模式,它率先引入模塊概念,一種適用CE標志的產品的評...
查看詳情 +